一、概 述
MZG系列脉动真空干燥机广泛应用于制药行业、生物工程等领域的,是一种符合GMP 的真空箱式干燥装置,其主要针对于热敏性物料、粘性大物料、和需要回收溶剂物料的干燥,尤其对物料含糖量高、易溢出、易起泡中药浸膏类的物料干燥能力和效果非常好。该设备采用“脉冲”层流真空干燥原理,是一种高效的低温干燥方式,其可以采用蒸汽、热水、电为热源,亦可以配备饱和、流通蒸汽灭菌、臭氧消毒功能、在线清洗或浸泡清洗功能。
二、性能特点
1、德国西门子工控系统性能优越,并配备标准工业通讯接口,可提供设备与中央监控系统的通讯软件技术支持,可以在后台自动生成监控画面。
2、设备关键部件均采用行业中的原装进口件,并且多数配件在我国具有50%左右的市场占有率。
3、设备具有标准GMP验证接口,公司具有16路标准计算机验证仪,可随时为用户提供GMP验证服务。
4、柜体上下左右内板外均并列满焊由槽钢制作成的加热夹套,槽钢和内板满焊好后反复作打压检漏处理,确保无任何泄露。加热速率比普通真空烘箱提升200%。
5、柜体内四方角为圆弧过渡,加热时使柜体内温度流畅,均匀、改变了原方型真空烘箱顶部一层装有物料的烘盘不易烘干的缺陷,同时,便于物料在烘干的过程中产生的水汽珠顺两侧面流入柜体底部,经排污口排出柜外。
6、干燥柜在加热时抽真空时,柜内上下层的温度由于抽真空的作用会产生变化,在柜内左侧、柜内右侧和柜顶均制作有抽真空接口和主抽真空管联接到一起,通过用不锈钢球阀控制每处真空度大小来调整柜内的温差。
7、柜内散热器(又称烘架)为平板式,比普通管式散热器加大散热面积150%,散热器底部装置4只不锈钢小轮,能在轨道上推进推出方便自如,烘架蒸汽进口和出口与箱体联接处均装置快装卡箍,便于拆装、拉出清洗。
8、柜内烘架上每层散热器加热流体走向均匀,彻底改变原方型真空干燥箱内上下温度相差需倒盘的现象。
9、物料在加热抽真空时会出现发泡的现象,起泡后形成一个密闭的空间,物料内的水份蒸发减慢从而延长干燥时间。在烘盘的上方制作压缩空气破泡式装置,物料起泡后迅速破泡,使物料内的水份通过真空泵进行抽汽抽湿快速干燥,提高干燥效率。
10、柜体内底部为半椭圆形制作,使物料在过程中产出的水汽珠流向箱内底中部,经底部排污口排出箱外,提高干燥效率。
11、在柜身装置1只呼吸器,确保进入柜内的空气是经过过滤后的洁净空气。进入柜内的空气经过加热处理后不会冷热空气交换产生水珠。
12、物料内的水份在抽真空的作用下才能排出箱外,达到干燥效果,为了使物料少溢出,还要使水环式真空泵连续工作,装置真空泵用的变频调速器,真空泵运转的速率可以变频调节。
13、为节约用水配置真空泵循环水用的循环水箱1台,水箱具有自动给水的功能补充循环用水。真空泵长期工作时,循环水箱内的水温会很高,影响真空度和真空泵使用寿命,在循环水箱底部排污口管口前端配置电磁阀和水箱内装置温度探头,设定温度时间比例自动换排水,既保证水箱内的水量充足,还可降低水温。
14、柜体左右配置视镜共2个,视镜上装置观察照明灯,便于观察柜内物料被干燥时的情况。
15、配置2只不锈钢拉钩,门打开后,便于箱内*里层烘盘拿出方便,易操作。
16、配置1台不锈钢牵引小推车,便于散热器进出,清洗方便,省时、省力,降低了劳动强度,提高安全系数(牵引小推车轮为2定向、2万向,万向轮带刹车)。
17、本柜可在浸膏装盘厚度20mm,6小时即达到干燥,极大的缩短了工作周期降低了设备能耗。
三、主体结构
1、柜体:设备为卧式矩形内外双层结构,有利于工作过程的预热和连续操作。设备内胆为优质耐酸不锈钢板304焊接制成,采用优质不锈钢药芯焊丝,并运用了CO2气体保护、过程冷却等一系列先进焊接工艺。
2、密封门:电机升降,旋转开门,具有安全联锁、双门互锁功能。
①安全联锁:设备运行或压力不归0不能开门。
②双门互锁:根据GMP要求设有双门互锁功能,确保不同区域的隔离和物流的方向。
3、装饰外罩:全不锈钢拉丝板制作,美观大方且便于清洗。
四、控制系统
设备控制系统主要由主控制器PLC、微机触摸屏、灭菌记录装置及其它控制元件组成。
1、PLC:德国西门子公司FX系列PLC具有**的控制功能,而且可靠性非常高,平均无故障时间达5万小时。
2、触摸屏:设备工况及各种参数实时动态画面显示,可提供标准工业通讯接口并提供软件技术支持,满足用户远程监控要求。
3、资料记录:温度、压力报表或存储,供存档备查。
4、设备验证:设备附有标准GMP验证接口,可随时进行设备验证。
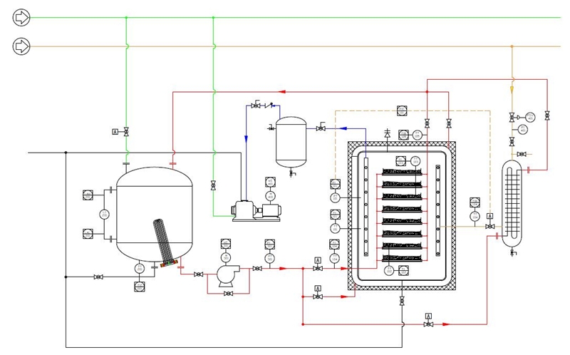
五、管路系统
设备管路系统由控制阀门、真空泵、过滤器、安全阀、疏水阀等专用阀件构成。关键部件为控制阀门和真空系统。
控制阀门:美国ASCO角座式气动阀,400万次无故障运行。
真空泵:水环式真空泵,噪音低、真空度高。
六、物品搬运
该设备干燥物品由操作人员直接从腔体存取到搬运车上进行运送。
七、设备参数
1、加热源:热水/蒸汽
2、设计温度: 95℃/134℃以下
3、热均匀度:≤±3℃
4、极限真空度:-0.095 MPa
八、技术参数
注:部分参数设计时视不同物料有所调整,以设计为准。相关参数若有调整,将不另行提前告知。
- 2025-02-24 > 星光不负赶路人,热烈祝贺本公司再度荣膺“高新技术企业”称号!
- 2022-04-20 > 热烈祝贺我司荣获“高新技术企业”称号!
- 2023-02-22 > 热烈祝贺本公司荣获2022年度“提质增效奖”
- 2026-02-02 > 影响MVR蒸发浓缩结晶器和多效蒸发浓缩结晶器运行成本的因素有哪些?
- 2026-02-02 > 春来机械- MVR蒸发浓缩结晶器和多效蒸发浓缩结晶器的经济成本对比
- 2026-01-07 > 春来机械-关系双锥回转真空干燥机深度分析
- 2026-01-07 > 春来机械-双锥回转真空干燥机使用过程中有哪些常见问题?
- 2026-01-07 > 春来机械-春来机械-双锥回转真空干燥机运行优化实操步骤
- 2025-12-17 > 春来机械-双锥回转真空干燥机干燥后的物料质量如何?最终含水率、均匀性、流动性、纯度能达到什么标准?
- 2025-12-17 > 春来机械-双锥回转真空干燥机适合处理哪些类型的物料?对物料的初始含水率、粒度、粘度有什么要求?






